欢迎来到硬齿面麻豆网站在线播放厂家山东麻豆黄色电影传动设备股份有限公司网站!


手机浏览
更方便
AK系列齿轮减速电动机是参照JB/T6447-92标准设计、制造,井符合1EC标准的新产品。它由拖动电动机与齿轮减速裝置藕合而成,具有结构紧凑、体积小、重量轻、噪声低、振动小、效率高等特点,是理想的低速动力源。广泛应用于冶金、矿山、轻工、化工、钢铁、水泥、纺织、印染、制糖、食品。橡胶、医药。包装、建筑、起重运输、农机等行业,并可供引进设备的配套与维修。
根据用户需要,尚可配套多速、效率高、直流等各类电动机,并可根据用户要求。装置直流电磁制动器或单向停止器以及各种编码器等。
防护等级因所配电动机而异,可为|p44或|P54等,冷却方法为1C0141。
本系列减速电动机齿轮的参数经优化设计.采用高质量合金钢经锻造、制齿井赋予严格的热处理;齿轮经瑞士REISHAUER公司的蜗杆砂轮磨齿机磨削加工,精度达GB/T10095.1 ~2-2001的5级。机座用高强度铸铁制成,有底脚、法兰两种结构。
减速装置的效率不低于92%。
底脚安装齿轮麻豆网站在线播放有两个机加工的底脚安装,法兰安装有F和GZ两种法兰可供选择,GZ法兰只有空心轴方式,本系列麻豆网站在线播放有多种安装方式和方位。
使用条件
环境温度:在-15C°-+40C。条件下额定运行;
海拔:不超过1000m;
颛定电压: 380V;
额定频率: 50Hz:
接法: 3kW及以下为Y.4KW及以上为△接法:
工作方式:连续(S1 )。
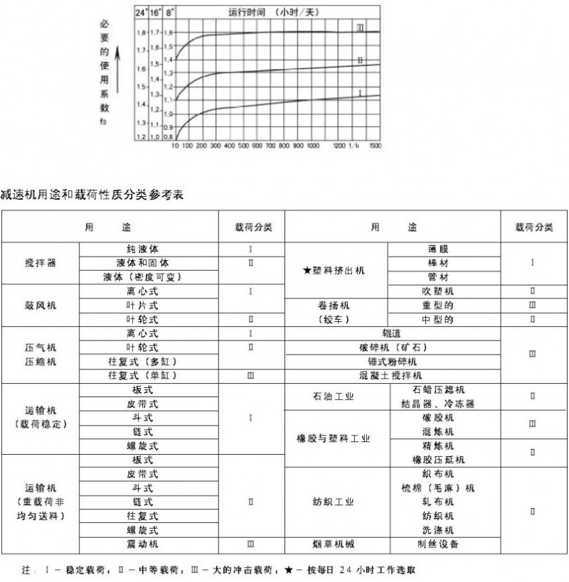
选型指南
AK使用系数fB
在确定使用系数之前先确定一天的运行小时数,每小时的起停次数和负载类型。其中负载类型按下列公式计算